首页
关于我们
公司概况
企业文化
发展历程
企业荣誉
公司架构
核心产品
全自动玻璃盖板印刷系
全自动烘烤炉系列
3D玻璃全制程系列
其他
新闻中心
公司动态
行业资讯
视频中心
投资者关系
实时行情
公告
信息披露
招贤纳士
员工福利
招贤纳士
投送简历
乐鱼官网网页版_乐鱼(中国)官方
EN
/
中文
语言
导航
EN
中文
首页
关于我们
公司概况
企业文化
发展历程
企业荣誉
公司架构
核心产品
全自动玻璃盖板印刷系
全自动烘烤炉系列
3D玻璃全制程系列
其他
新闻中心
公司动态
行业资讯
视频中心
投资者关系
实时行情
公告
信息披露
招贤纳士
员工福利
招贤纳士
投送简历
乐鱼官网网页版_乐鱼(中国)官方
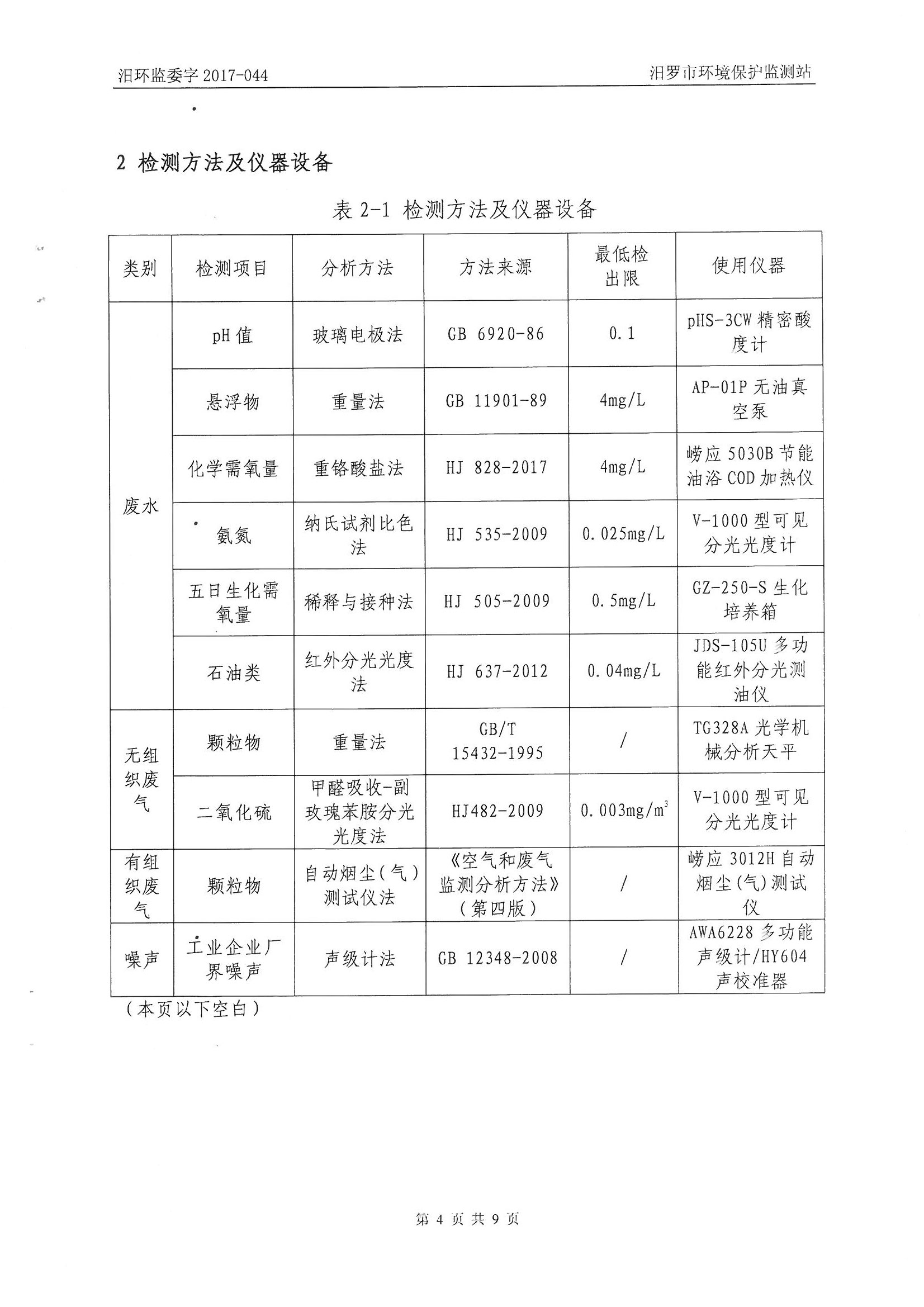
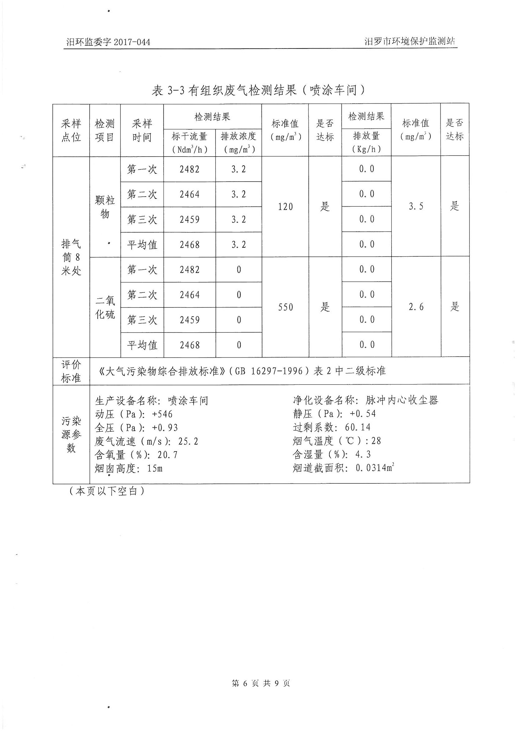
乐鱼官网网页版_乐鱼(中国)官方环保监测报告
所属分类:
公司动态
发布时间:
2017-08-22
分享到:
Copyright © 2014-2016 乐鱼官网网页版_乐鱼(中国)官方 版权所有 湘ICP备17016185号 执照认证链接
关闭
九州网页版
|
完美官方网站
|
九州平台
|
乐鱼官方网站_乐鱼leyu(中国)
|
完美·体育
|
乐鱼网站_乐鱼(中国)
|
九州网页版
|
九州平台(中国)科技有限公司
|
九州(中国)Jiuzhou·官方网站
|